Right angle gear motor
Date:2025-05-10 Author:Shandong Xinda Motor Co., Ltd.
370/555 micro worm gear motor DC deceleration forward and reverse speed regulation right angle with self-locking motor


32WB370 reduction motor
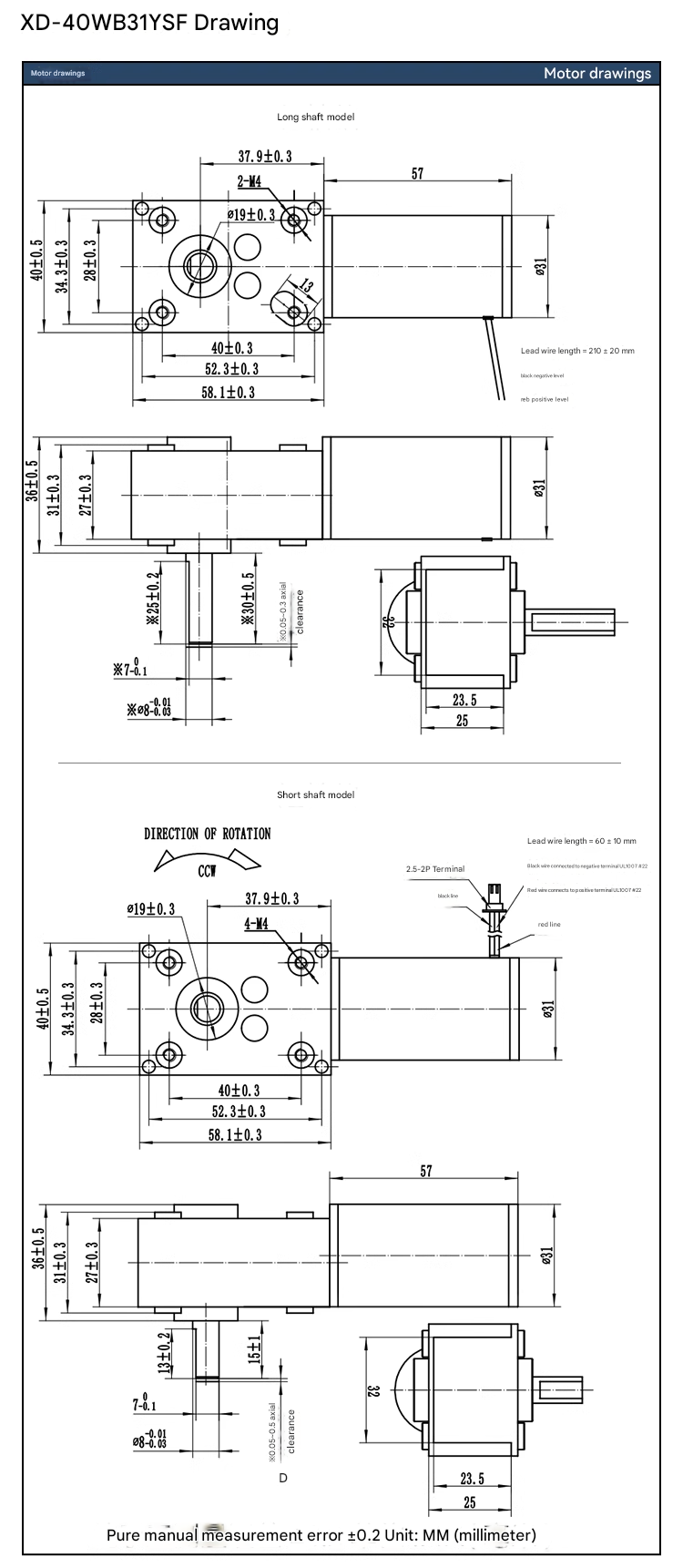
40WB31S reduction motor
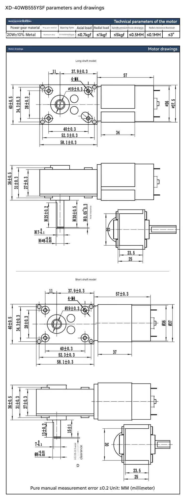
40WB555 reduction motor


Speed selection
0-10 rpm
0-20 rpm
0-30 rpm
0-50 rpm
0-100 rpm
0-150 rpm
0-200 rpm
0-300 rpm
0-500 rpm
Other speed

Voltage selection
12V
24V

Parameter information
Brand
XD
model
Right angle gear motor
Origin
Chinese mainland
Power supply mode
Direct current
sort by models
32WB370 reduction motor, 40WB31S reduction motor, 40WB555 reduction motor
Voltage
24V
Voltage
12V24V DC
property
Right angle gear motor
Speed
0-500 rpm



























XINDA