90ZYJ-DW PMDC geared motor
Product Introduction:
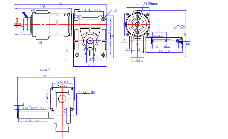
The 90ZYJDW DC permanent magnet motor consists of a DC permanent magnet motor, a worm gear reducer, and a brake. It features a compact structure, excellent sealing, dust and splash protection, power-off braking for enhanced safety, high power output, and smooth operation. It is suitable for outdoor environments, such as as a drive element in golf carts.
Motor Technical Data
|
Motor Model Type |
Voltage V |
Torque Nm |
Current A |
rotational speed r/min |
power W |
length cm |
|
90ZY - 155 |
12/24 |
0.88 |
34/17 |
3200 |
300 |
155 |
|
90ZY-200 |
12/24 |
1.5 |
60/30 |
3000 |
500 |
200 |
Gearbox Technical Data
|
Reduction ratio Ratio |
Gearbox size Length * Width * Height |
No-load speed r/min |
Load speed r/min |
Rated torque Nm |
Maximum allowed load Nm |
|
30:1 |
362*165*54 |
120 |
100 |
13 |
30 |
|
60:1 |
362*165*54 |
60 |
50 |
25 |
60 |


























XINDA