M I C R O   M O T O R
XINDA MOTOR
XD DC Motor... XD AC Motor... Industrial Moto...... Motor Drive Mac......
  1. Home
  2. XD DC Motor

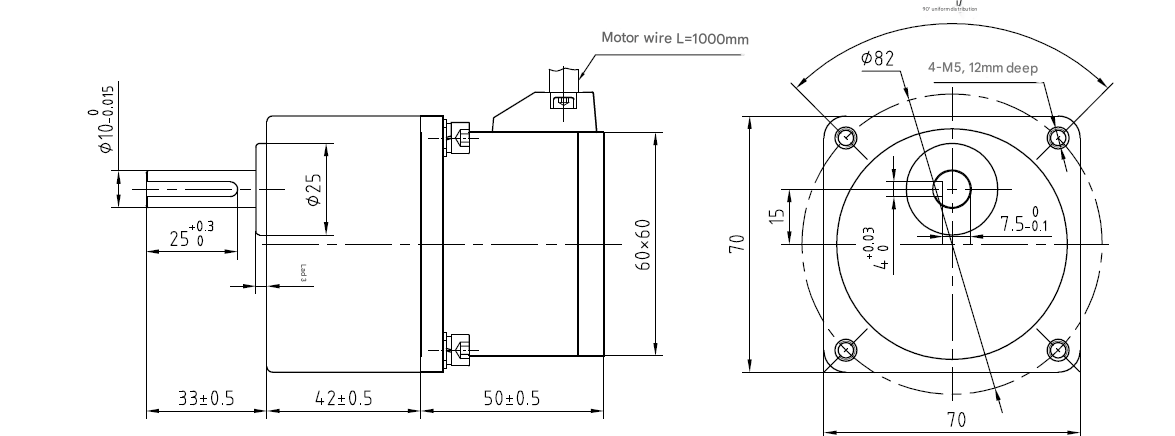
3GN-50K 40W BLDC Motor

Date:2026-02-07   Author:Shandong Xinda Motor Co., Ltd.
3GN-50K 40W BLDC Motor

Brand new in-stock brushless swing gate motor 3GN-30K/50K advertising gate motor, DC 24V


Sort by Type

3GN-30K(40W)


3GN-50K(40W)


3GN-50K(60W)